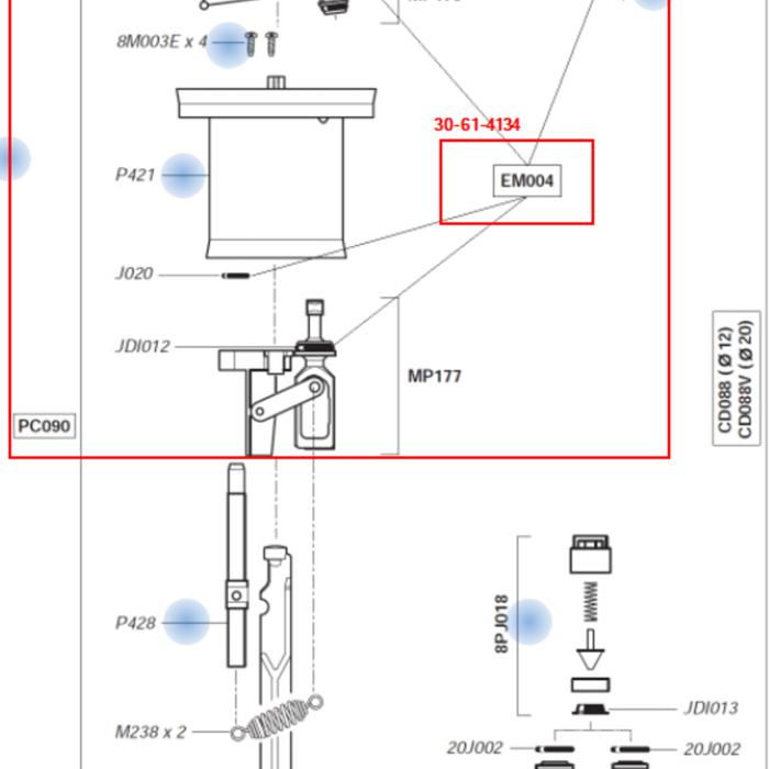
Sealing kit EM004VF D25RE2 (90 01 062)
SKU
30-61-4134
Sales unit 1 pc
Illustrations may show accessories that are not included in the scope of delivery.
Due to constant further development of our products, illustrations and technical data may deviate slightly. Errors and omissions excepted.
