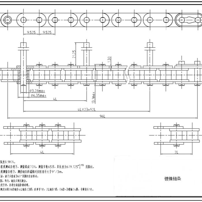
Roller chain 3/8" nick. 2x914mm w/lengthened bolts f/elev EC
SKU
87-09-1700
Sales unit 1
Illustrations may show accessories that are not included in the scope of delivery.
Due to constant further development of our products, illustrations and technical data may deviate slightly. Errors and omissions excepted.
